详情页

能量回收装置

产品型号:能量回收装置 / 类 型:一体化装备

产品概述:

  自主开发了10-1000吨/日反渗透海水淡化能量回收装置系列产品,能量回收效率高达90%以上,流量和耐压均达成使用要求,具有按照和拆卸方便、运行过程中振动和噪声小等优点。与进口同类型产品相比,该装置性能稳定,价格实惠,完全可替代进口产品。

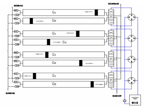
能量回收装置原理图:

 

详细参数:

  

商务垂询
电话号码:0571-89027080
                  0571-88935412
 
 
 
联系我们 | 网站地图 | 法律声明 | 纪检监察 |投诉与问卷 | RSS订阅 | 常见问题
蓝星(杭州)膜工业有限公司 版权所有 未经允许请勿转载 浙ICP备16026085号-1